The welding procedure and welding consumable of Double Floating roof oil storage tank
2022-07-20
1、Edge panel Welding



Pic.1 Buttom Plate Pic.2 Edge Plate Welding
2、Center Panel welding


Pic.3 Bottom Center Plate Welding
3、Edge Panel and Center Panel welding

4、Heat treatmentpanel and Pipejoint welding


picture 4 the heat treatment plate and pipe joint
Welding Parameters: 130~180A/22V~26V
Elongation: 15~20mm
Gas flow: 15~20L/min

Picture 5 Heat treatment plate and Pipe joint welding
5、Electrogas welding vertical wall panel


Pic.6 The Groove shape of Electrogas welding for Vertical wall panel
6、Submerged arc transverse welding of Circumferentialwall panel

GWR-EA3/GXL-122;
GWL-H10Mn2/GXL-101H;
Welding parameters: 360~500A/25~30V
Elongation:20~30mm

Pic.7 The Groove shape of Submerged Arc welding for Circumferential wall panel
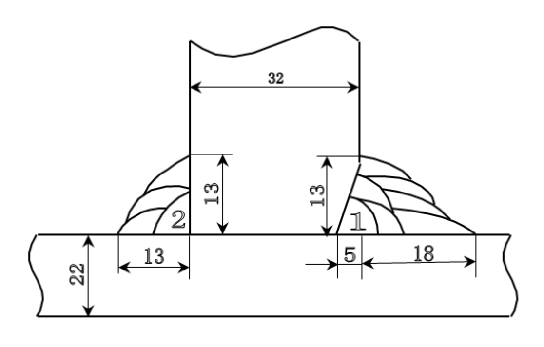
7、Large fillet welding


Picture 8 The Sketch Map of Large fillet welding

Picture 9 The traveler of Large fillet SAW welding
<< return
next:Full Auto-welding with Metal-c...